- Les principales différences dans les conceptions des marteaux perforateurs Bosch
- Schéma et conception du marteau perforateur Bosch 2-20
- La conception de l'arbre intermédiaire du marteau perforateur Bosch 2–20
- Caractéristiques de conception du marteau perforateur Bosch 2–24
- La conception du perforateur à arbre intermédiaire Bosch 2-24
- La conception de l'arbre du mécanisme de percussion
- Dysfonctionnements de l'arbre du canon du mécanisme de percussion
- Caractéristiques de conception du marteau perforateur Bosch 2–26
- La conception de l'arbre du mécanisme de percussion
- Conclusion :
- Vidéo de démontage du marteau perforateur Bosch
Les plus répandus parmi les constructeurs professionnels en Russie sont les marteaux perforateurs Bosch et parmi les modèles domestiques amateurs Bosch 2-20, 2-24, 2-26.
Les perceuses à percussion fonctionnent non seulement bien, mais sont également faciles à réparer. Ils peuvent facilement trouver n'importe quelle pièce cassée.
Dans les conceptions des perforateurs décrits, le même principe est posé, pour transférer le couple du rotor à l'arbre du canon du bloc de percussion avec la transmission simultanée d'une impulsion de translation à l'outil de travail.
Structurellement, les perforateurs sont fabriqués selon le même schéma, mais les unités ou pièces individuelles ont leurs propres caractéristiques.
Si vous connaissez les différences spécifiques entre les modèles des marteaux perforateurs Bosch décrits, le démontage et la réparation de vos propres mains ne seront pas difficiles.
Outre les originaux, il existe un grand nombre de faux outils sur le marché russe, y compris les marteaux rotatifs Bosch.
Les caractéristiques de conception des modèles et la manière de les démonter et de les réparer de vos propres mains sont décrites ci-dessous.

Le principe de fonctionnement des perforateurs est le même, mais les caractéristiques de conception diffèrent.
Les pièces principales utilisées dans les modèles répertoriés de perforateurs Bosch sont interchangeables. Ceci s'applique à l'assemblage mécanique et électrique.
Mais il y a des nœuds et fait, différant par les détails utilisés.
Pour réparer un marteau perforateur Bosch 2-20, 2-24, 2-26, vous devez connaître ces différences. Connaître les caractéristiques de conception de chaque perforateur facilite le processus de réparation, la recherche de pannes et leur élimination.
Les conceptions des marteaux perforateurs Bosch sont si simples qu'elles vous permettent d'effectuer réparation simple, pratiquement de vos propres mains et remplacez n'importe quelle pièce sans contacter les départements de service. Vous devez avoir les compétences d'un assembleur, avoir des connaissances de base en électrotechnique et comprendre le principe de fonctionnement d'un perforateur.
Les principales différences dans les conceptions des marteaux perforateurs Bosch
Lors de la réparation d'un marteau perforateur Bosch, vous ne vous passerez pas du circuit électrique et de démontage de l'outil du modèle que vous allez réparer.
Les circuits électriques des perforateurs Bosch 2-20, 2-24, 2-26 sont presque les mêmes. Bien qu'il y ait quelques différences mineures.
Mais les blocs mécaniques sont complétés par des pièces structurellement différentes les unes des autres. Les principales différences sont rassemblées en deux nœuds: dans l'arbre intermédiaire et l'arbre du canon du bloc de percussion.
Les plus grandes différences sont présentées dans les conceptions de l'arbre intermédiaire, l'assemblage du "roulement ivre", dans le commutateur de mode.Des caractéristiques sans principes sont présentes dans les conceptions du canon du bloc de percussion, du percuteur, du percuteur.
Commençons par le marteau perforateur Bosch 2-20.
Schéma et conception du marteau perforateur Bosch 2-20
La réparation du marteau perforateur Bosch 2-20 n'est pas possible sans connaissance de la conception de l'outil à réparer.
Le principe de fonctionnement du marteau perforateur Bosch 2–20 est basé sur le transfert du couple de l'arbre du rotor pos.3 à l'arbre du bloc d'impact pos.22 via l'arbre intermédiaire pos.824, transmettant simultanément une impulsion longitudinale à l'outil de travail.
Le rotor poz.3 transmet le couple à l'engrenage hélicoïdal de l'arbre intermédiaire poz.824.

L'engrenage hélicoïdal est monté sur l'arbre intermédiaire et transmet le couple à l'arbre.Un palier ivre est fixé sur l'arbre, qui reçoit le couple via l'embrayage. De par sa conception, le palier ivre transmet le mouvement de translation au barillet du mécanisme de percussion.
La conception de l'arbre intermédiaire du marteau perforateur Bosch 2–20
L'arbre intermédiaire du marteau perforateur Bosch 2–20 se compose d'un ensemble de palier à roulement (roulement ivre), d'un embrayage, d'un grand engrenage hélicoïdal et d'un petit engrenage droit.
Le plus souvent, les pannes se manifestent par l'usure des cannelures de l'embrayage, ce qui entraîne la perte de rotation du mandrin du perforateur en présence d'une impulsion de choc.
Corrigé en remplaçant l'embrayage ou en restaurant les dents des pièces d'embrayage.

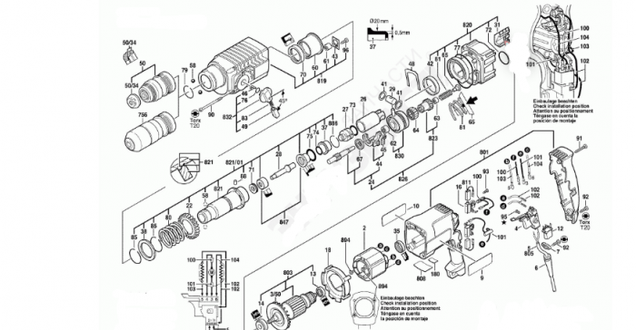
Caractéristiques de conception du marteau perforateur Bosch 2–24
Il est préférable de commencer à réparer un marteau perforateur Bosch 2-24 en connaissant le schéma et les caractéristiques de conception de l'outil en cours de réglage. Le principe de fonctionnement du perforateur Bosch 2-24 est similaire à celui du perforateur Bosch 2-20.
Le moment de rotation est transmis à l'arbre porte-outil, simultanément à la transmission de l'impulsion de choc. Le marteau perforateur possède trois modes de fonctionnement : perçage avec percussion, perçage sans percussion, percussion.
L'engrenage hélicoïdal du rotor poz.803 transmet le couple à l'engrenage hélicoïdal de l'arbre intermédiaire poz.826.

La conception du perforateur à arbre intermédiaire Bosch 2-24
L'arbre intermédiaire du marteau perforateur Bosch 2-24 se compose d'un ensemble de roulements poz.830, d'un embrayage poz.823, d'une pièce de commutation poz.44. Le plus souvent, l'embrayage tombe en panne. Ça use les dents. La réparation de l'embrayage consiste à corriger le profil de la dent d'engagement dans l'embrayage et sur l'arbre intermédiaire.

La conception de l'arbre du mécanisme de percussion
L'arbre de canon du bloc de percussion est conçu pour transmettre une impulsion de rotation avec le mouvement simultané du percuteur.
La rotation est transmise du pignon droit de l'arbre intermédiaire au grand pignon droit poz.22 de l'arbre de barillet poz.821.
Le mouvement alternatif est transmis par le palier ivre poz.830, le piston d'impact poz.26, le percuteur poz.27, le boulon d'impact poz.28 à la perceuse fixée dans la cartouche poz.756.
La conception est un arbre, creux d'un côté. Les pièces sont installées sur l'arbre des deux côtés.
Du côté montage de la cartouche, un engrenage droit poz.22 est installé sur l'arbre et fixé sur l'arbre avec un rouleau poz.88, pressé contre l'épaulement de l'arbre par un ressort poz.80. Le ressort lui-même est fixé avec un anneau de retenue poz.85.
Ce qui suit est inséré dans la cavité de l'arbre du canon du bloc d'amortisseur: le boulon d'amortisseur assemblé poz.28 et le piston d'amortisseur. POS.27 est inséré dans le piston d'amortisseur poz.27 avec un nouvel anneau en caoutchouc poz.73 placé dessus.Tous les produits en caoutchouc sont lubrifiés lubrifiant recommandé.
Dysfonctionnements de l'arbre du canon du mécanisme de percussion
En raison de l'affaiblissement de la force du ressort, de la perte du rouleau de fixation, l'engrenage peut tourner sur l'arbre. Cela se manifeste par la perte de couple avec la présence d'une impulsion de choc.
Le perforateur martèle mais ne perce pas.
Lorsque les produits en caoutchouc (bagues d'étanchéité) sont usés, le perforateur cesse de fonctionner en mode « Farinage ». Cela se fait progressivement. La force d'impact s'affaiblit à mesure que les anneaux en caoutchouc s'usent. Le fait est que du roulement ivre, le mouvement est transféré au piston de choc poz.26, dans lequel le percuteur poz.27 crée une pression d'air et agit sur le boulon d'impact poz.28.
Le perforateur perce, mais ne martèle pas.
Si vous appliquez beaucoup de force pendant le fonctionnement du perforateur, cela peut entraîner la destruction du boulon d'impact, le coincement du percuteur dans le piston d'impact. De tels dysfonctionnements ne sont éliminés que par le remplacement complet de la pièce défectueuse. En détails sur le dépannage d'un marteau perforateur Bosch.
Caractéristiques de conception du marteau perforateur Bosch 2–26
La réparation du marteau perforateur Bosch 2–26 doit commencer par une connaissance des caractéristiques de la conception de l'outil à régler. Le principe de fonctionnement du perforateur Bosch 2-24 est similaire à celui du perforateur Bosch 2-26.

La rotation est transmise de l'arbre du rotor, à travers l'arbre intermédiaire, à l'arbre du barillet d'amortisseur. Dans le même temps, un palier ivre monté sur l'arbre intermédiaire transmet un mouvement alternatif au piston amortisseur.
Le marteau perforateur possède trois modes de fonctionnement : perçage avec percussion, perçage sans percussion, percussion.
L'engrenage hélicoïdal du rotor poz.803 transmet le couple à l'engrenage hélicoïdal de l'arbre intermédiaire poz.823.
L'arbre intermédiaire est similaire à l'arbre dans la conception du marteau perforateur Bosch 2-24 et est interchangeable avec lui-même et les pièces qui composent l'arbre intermédiaire des perforateurs Bosch 2-24, 2-26. Instructions de démontage d'un marteau perforateur Bosch.
La conception de l'arbre du mécanisme de percussion
L'arbre de canon du bloc de percussion est de conception similaire à l'arbre de canon du perforateur Bosch 2–24. Les pannes sont causées par des dysfonctionnements des mêmes pièces que dans le marteau perforateur Bosch 2–24.

Les caractéristiques de l'arbre du perforateur Bosch 2–26 sont que le grand engrenage droit entraîné poz.22 est fixé sur l'arbre avec trois goupilles poz.37, contrairement au rouleau de fixation du perforateur Bosch 2–26.
Lors du démontage de l'arbre du canon du bloc d'impact du perforateur Bosch 2–26, faites attention à la manière dont l'engrenage est fixé. Trois goupilles doivent être retirées avant que l'engrenage puisse être retiré. Comment assembler correctement le poinçon Bosch.
Conclusion :
- Connaître les différences entre les modèles ci-dessus de marteaux perforateurs Bosch vous permettra de démonter rapidement l'outil et de remplacer les pièces défectueuses. Pour ce faire, vous n'avez pas besoin de contacter le service après-vente.
- Structurellement, les marteaux perforateurs Bosch sont si simples qu'ils vous permettent d'effectuer des réparations de presque toutes les complexités.
- Tout ce dont vous avez besoin est le désir et les connaissances de base en mécanique.
Il arrive qu'il existe de faux modèles du marteau rotatif Bosch à ce sujet plus plus de détails.











