- Types de pannes et leurs causes
- Préparation à la réparation des luminaires LED
- Conception de lustre à LED et inspection visuelle
- Le moyen le plus simple de tester le circuit LED d'une lampe
- Réparation lampe LED
- Schéma de la lampe LED
- Dépannage d'un lustre télécommandé
- Radiateurs de refroidissement
- Conclusion
- Vidéo pour la réparation de lustres avec contrôle
L'économie et la conception de l'éclairage ont apporté une technologie de pointe à presque toutes les maisons. Beaucoup de gens remplacent les lustres de sous-sol ordinaires par des produits LED économiques. Tout le monde ne sait pas comment réparer une lampe à LED par lui-même, en particulier les pièces qui la composent à l'intérieur. Comment utiliser l'outil en cas de panne, par où commencer l'ensemble du processus. Essayons de comprendre en détail quel type de pannes d'appareils se produisent et comment réparer certains lustres à LED de vos propres mains.
Types de pannes et leurs causes
Pannes typiques : manque d'éclairage partiel ou total, clignotement de courte durée ou arrêt spontané, panne.
causes: La température a atteint plus de 50 degrés, le contact du fil lui-même et du support est cassé, si l'option payante, et non celle de la lampe, les contacts sur la carte se décollent.
La LED est grillée, partiellement ou complètement. Cause: Surtension dans le réseau, condensateur grillé (panne). Habituellement, une panne se produit dans les options de carte bon marché.
Il existe des raisons supplémentaires conduisant à la panne de l'appareil, à savoir: un court-circuit dans le circuit, une mauvaise connexion au réseau, le non-respect du schéma de connexion de l'appareil lors de l'installation.
Mauvaise soudure des contacts du circuit, LED sur la carte, mauvaise fixation des fils dans la base des lampes. Faible soudure des éléments conducteurs (fils, pneus). Cause: Défaut d'usine. La réparation de nombreux lustres à LED avec un panneau de commande est effectuée précisément pour cette raison.
Préparation à la réparation des luminaires LED
Avant de réparer la lampe LED, l'appareil doit être retiré. Vous aurez besoin d'un outil; tournevis fin à bout plat, en forme de croix. Si la connexion a été assemblée avec des torsades, vous aurez besoin de pinces avec des poignées isolées, de ruban électrique et d'un multimètre pour vérifier les contacts. Les pinces à épiler sont pratiques lorsque vous travaillez avec de petits détails.
Vous aurez besoin d'un fer à souder avec une pointe fine et de la soudure (il est conseillé d'utiliser une buse spéciale). Une perceuse avec un foret de 2,5 mm peut également être utile, détachez la base de la lampe en perçant les fixations. Plusieurs fils fins de 10 cm de long.
Attention! Il est interdit d'effectuer des travaux électriques sans outil spécial protégé !
Conception de lustre à LED et inspection visuelle
Des lustres avec télécommande sont apparus il n'y a pas si longtemps. Peu de gens connaissent leur appareil. Réparation de plafonniers LED
x lustres dont vous avez besoin pour connaître le design, juste en termes généraux. Voyons de plus près en quoi cela peut consister.
Un lustre à LED simple se compose d'un corps, d'un bloc régulateur ou d'un driver. Il est utilisé comme redresseur de tension. Il a des bornes, ou des pinces à bornes, auxquelles l'alimentation secteur est connectée. Ensuite, du bloc, il y a des fils aux lampes. Ils peuvent être d'un fil, pour une lampe ordinaire, jusqu'à 12 pour une version design de l'appareil.
Une version plus complexe du produit, se compose d'une antenne, d'une unité de commande pour l'éclairage lui-même, d'un régulateur de tension ou de plusieurs
De nombreux blocs qui effectuent un réglage automatique. Dans les appareils raster, il peut y avoir plusieurs pilotes et différents types d'éléments LED, lampes.D'un type d'éclairage spécifique
L'instrument dépend de la vérification et de la réparation des composants.
Pourquoi est-il nécessaire de connaître ou de découvrir la conception avant
commencer à réparer le lustre led. La raison est simple, vous devez déterminer où se trouvent les unités de contrôle, à l'intérieur du lustre ou dans
l'élément d'éclairage lui-même, la lampe. Ici, nous avons besoin du même circuit de lustre à LED.
Il est plus facile de réparer un lustre LED qui fonctionne sans télécommande. Il n'y a rien de compliqué là-dedans, ils sont assemblés selon un type: une ou plusieurs diodes (un pont compact est possible), des électrolytes (condensateurs), une paire de résistances (résistances) et une bobine avec un enroulement. C'est le circuit le plus simple sans protection, il existe de nombreuses options pour eux, mais nous allons maintenant analyser le circuit le plus simple.
- Après avoir retiré la lampe, inspectez la carte à la recherche de défauts visibles, de fils cassés,
leur absence est un bon signe. - Retirez le plafond ou la décoration autour de la lampe, dévissez les éléments d'éclairage. Inspectez la base, les endroits brûlés indiquent un mauvais contact. S'il y en a, essayez de les nettoyer avec un couteau.
- Remballez les borniers, ou tordez, serrez les vis sur toutes les pièces. N'ayant trouvé aucun défaut visible, nous procédons à l'inspection des lampes. L'option d'une lampe bloc, où le relais et les lampes sont situés côte à côte sur un grand tableau, est considérée comme une réparation de la lampe décrite ci-dessous.
- La réparation de lustre à LED à faire soi-même commence par déterminer l'emplacement de la panne ou de la casse.
Le moyen le plus simple de tester le circuit LED d'une lampe
Tout d'abord, nous essayons de démonter la lampe elle-même. Il existe des modèles pliables, mais il faut parfois le chauffer avec un sèche-cheveux d'immeuble ou couper l'étui. Tout d'abord, une inspection visuelle.En règle générale, une LED grillée est de couleur différente ou a une jambe brûlée, et les plages de contact pour souder la LED sont brûlées ou décollées.

Méthode 1.
Il est préférable d'alimenter la lampe avec une alimentation séparée. D'habitude 3,7 volts est fourni à chaque LED, mais il existe d'autres valeurs M. Il convient de noter qu'en fonction du nombre de LED, la tension change également. Pour vérifier rapidement les éléments LED de la lampe LED à l'aide de méthodes improvisées, vous pouvez utiliser n'importe quelle pile 3 volts et trombones en connectant les contacts. Respectez simplement la polarité de la connexion.

Nous utilisons également un dispositif de test similaire lors de la vérification de l'éclairage intégré d'un luminaire.

La panne d'une LED, entraîne l'extinction de toutes !
Méthode 2.
Vous devez faire sonner l'appareil avec toutes les LED non endommagées du circuit. Mais il existe un moyen plus simple en connectant la lampe à l'alimentation pour effectuer des manipulations simples
- À tour de rôle, fermez (jetez un cavalier) les contacts de chaque LED avec des pincettes ou un fil avec des contacts dénudés et étamés.
- La lampe s'allumera lorsque vous trouverez (fermez les contacts) la LED grillée. Si cela ne se produit pas, regardez plus loin dans la chaîne.
- Vérifiez la carte pour la cause des brûlures, du gonflement des condensateurs, vérifiez soigneusement les pistes sur la carte du régulateur elle-même. Soudez les contacts cassés.
Vous ne pouvez pas remplacer la LED par un cavalier lorsqu'il y en a moins de 10 dans le circuit commun, les condensateurs seront surchargés, les LED bloquées s'éteindront lorsqu'il y en aura 3 dans un boîtier. Vous pouvez les identifier par trois points sombres, à l'intérieur d'un cristal jaune ou blanc.
Réparation lampe LED
Il est important de savoir que la LED a une polarité et lors du remplacement, vous devez l'installer correctement sur la carte. Toutes les LED sont soudées par impression, c'est-à-dire immergées dans de l'étain.

Habituellement, un pistolet à souder est utilisé pour souder la LED. À la maison, bien que difficile, il est possible d'appliquer plus d'étain avec un fer à souder.
Pour l'installer, il suffit de l'installer sur un circuit imprimé et de chauffer ses extrémités avec des plots de contact avec un fer à souder. Avec une soudure puissante, vous devrez également chauffer la carte par le bas avec un fer à souder. Il est important de ne pas surchauffer l'élément LED lors de la soudure !
Un moyen possible de réparer les lampes LED à l'aide de pâte conductrice.
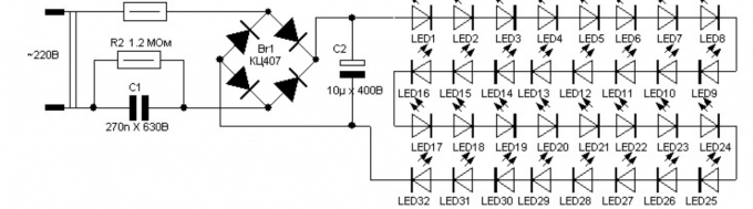
Schéma de la lampe LED
Le schéma habituel d'une lampe chinoise bon marché pour 220 volts. Au lieu d'un pilote fiable, ils ont un simple circuit d'alimentation sans transformateur avec des condensateurs et un redresseur.
La tension secteur est d'abord réduite par un condensateur à film métallique non polaire, redressée, puis lissée et élevée au niveau souhaité. Le courant de charge est limité par une résistance SMD conventionnelle, qui est située sur la carte de circuit imprimé avec des LED. Lors du diagnostic et de la réparation des lampes à LED de ce type, il est important de respecter les précautions de sécurité, car. tous les éléments du circuit électrique sont potentiellement sous haute tension. Toucher une partie sous tension d'un circuit avec un doigt peut provoquer par inadvertance un choc électrique, et une sonde multimètre glissée peut court-circuiter les fils avec des conséquences désagréables.
Dépannage d'un lustre télécommandé
Souvent, la réparation des lustres à LED doit être effectuée en raison d'une surchauffe de la matrice elle-même. Tout d'abord, dévissez les attaches et inspectez visuellement l'intérieur du lustre.Ensuite, ils essaient soigneusement de déplacer la planche en place. Déterminez s'il y a une rupture dans les fils de l'unité de commande, si le fil est brûlé à cause d'une surtension. S'il est grillé, soudez en place. Nous vérifions tous les détails un par un.
Ensuite, vous avez besoin du schéma original du lustre. Sans cela, seuls les lustres sans télécommande peuvent être réparés. S'il y a une télécommande, changez les piles pour de nouveaux éléments. Les lustres à LED avec un panneau de commande sont courants, ici vous aurez besoin d'un schéma exact du contrôleur de lustre pour identifier une panne.
L'unité de commande du lustre est généralement hermétiquement scellée dans une coque et les fabricants y dessinent des schémas. Seuls ceux-ci sont des schémas de câblage et des éléments d'éclairage.
Il existe également des blocs avec un corps pliable, puis l'option est simplifiée. Avec un bloc non séparable, on appelle à l'aide d'un testeur le signal de sortie vers les éléments d'éclairage (LED). S'il n'y a pas d'alimentation en tension, la cause peut être une panne du récepteur de signal. Nous le démontons, vérifions visuellement les contacts et les pistes sur la carte, l'intégrité des pièces. Si la tension est fournie à une branche de l'éclairage, la panne se situe dans l'unité de commande et non dans le récepteur de signal lui-même.

La partie brûlée peut être dessoudée et cerclée, pour commencer, de toutes les résistances (voir le schéma) en mettant l'icône Om sur l'appareil. Ensuite, la capacité des condensateurs, car ils ont des désignations, une polarité et un type sont également importants lors de la vérification.

Si une divergence est constatée dans la dénomination, soudez.
L'unité de contrôle du lustre est responsable de l'intensité et des modes de combustion des éléments LED. La violation de l'un des circuits (dans la version plafond de la lampe) ne désactive pas l'unité, le fusible peut avoir sauté.

Mais quand même, vérifiez les blocs, s'il y a des endroits fondus dessus, remplacez-les par un nouveau. Si les fils sont mal connectés, seules les pièces de l'alimentation brûlent. Le bloc régulateur est protégé des charges excessives. Il peut être appelé selon le schéma.
Radiateurs de refroidissement
De nombreux modèles de régulateurs, de pilotes et d'alimentations pour lampes à LED sont équipés de radiateurs de refroidissement. Ils ont un siège à travers lequel un microcircuit ou un autre élément de contrôle dégage de la chaleur. La plupart des lampes ont des dissipateurs thermiques.
Manque de lubrifiant spécial, pâte thermique, raison de la surchauffe de la plupart (jusqu'à 15%) des planches et des blocs. Dévissez et vérifiez s'il est appliqué le long du plan du siège.
La pâte thermique est appliquée en fine couche sur toute la surface du siège, une grande quantité ne fera qu'aggraver le transfert de chaleur. En vissant une fine plaque d'aluminium supplémentaire sur le radiateur, le transfert de chaleur peut être augmenté, tandis que l'installation est réalisée sans bloquer les principaux flux d'air qui le traversent.
Conclusion
Comme vous pouvez le voir, il n'y a rien d'inhabituel dans la réparation des lustres de plafond à LED, non. Ce n'est pas si difficile de le faire soi-même.Il faut un peu de patience, un peu de pratique et une goutte d'étain de connaissances. Bien sûr, la variété de lampes, lampes et lustres en tout genre ne nous ennuiera pas pendant le processus de réparation. Mais dans cette quantité de détails, le schéma exact du lustre à LED et, bien sûr, un grand désir nous aideront à le comprendre.
Vidéo pour la réparation de lustres avec contrôle
Il n'est pas nécessaire d'acheter une nouvelle LED, il est facile de la réparer, jetez un petit cavalier entre les contacts. Assurez-vous d'enlever les restes de la partie brûlée de la LED, nettoyez la carte de la suie, elle conduit l'électricité.











