- Outils
- matériaux
- Cloison sèche (hl)
- Quel profil pour un plafond en plaques de plâtre est nécessaire
- Connecteurs
- Travaux de plafond étape par étape
- Travail préparatoire
- Dessin. Prendre des mesures
- Marquage en surface
- Balisage pour les appareils d'éclairage
- Installation d'un cadre de plafond à un niveau
- Premier pas. Pose d'un profilé guide plafond au plafond sous plaques de plâtre
- Deuxième étape. Attache de suspension.
- Troisième étape. Comment fixer un profilé de plafond en plaques de plâtre au plafond
- Quatrième étape. Cavaliers
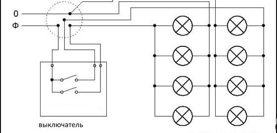
- Câblage électrique
- Cinquième étape. Installation de plaques de plâtre
- Dernière étape. Finition
Pour créer un plafond en plaques de plâtre dans une pièce, vous devez fabriquer une ossature métallique. Cet article décrit les étapes détaillées de création d'un cadre à partir d'un profil pour plaque de plâtre pour plafond. Le travail demande exactitude et précision. L'algorithme des actions doit être effectué par étapes pour obtenir une base de cadre solide et un beau plafond en plaques de plâtre.
Chaque étape du travail effectué sur l'installation du cadre comprend un certain nombre de règles, et a également les nuances du travail.
Outils
Pour création d'une charpente métallique sous un plafond à un niveau en plaques de plâtre, vous aurez besoin d'un ensemble d'outils, sans lesquels le travail sera impossible ou difficile.
Les éléments suivants seront requis :
Les outils doivent être propres et en bon état de fonctionnement. Tous les appareils de mesure, cordon à découper en bonne forme.
matériaux
Il est très important d'acheter des matériaux auprès de fabricants renommés, par exemple Knauf.La différence avec les autres entreprises est la qualité des produits. Pour créer un cadre solide et rigide, vous devez tout acheter auprès d'une seule entreprise avec un contrôle des certificats de qualité, car des contrefaçons sont souvent trouvées.
Cloison sèche (hl)
En fonction de la pièce, de son humidité, de sa température, le type de cloison sèche est sélectionné. Il en existe 3 types sur le marché de la construction :
- Une plaque de cloison sèche ordinaire est désignée GKL, de couleur grise - elle est utilisée dans des pièces sèches, sans changements brusques de température.
- Le matériau résistant à l'humidité est désigné GVL - applicable sur le balcon, le blanchiment du grenier, dans la salle de bain, dans la cuisine et dans d'autres zones humides.
- Feuille réfractaire GKLO ou GKVLO - applicable dans les zones à risque d'incendie. Il est de couleur rose (rougeâtre). Ne brûle pas.
Chaque feuille a ses propres dimensions : longueur 2,5 mètres et plus, largeur 1,2 mètre, épaisseur de 9,5 à 12,5 cm.
Quel profil pour un plafond en plaques de plâtre est nécessaire
Pour créer une ossature métallique pour un plafond à un niveau profils requis: 
- Profilé de guidage au plafond PNP (UD). Il a des dimensions: épaisseur 0,4-0,6 mm., largeur 28 mm., hauteur - 27 mm., longueur - 3 mètres.
- Profilé de plafond PP (CD) - dimensions : épaisseur 0,4-0,6 mm., Largeur - 60 mm., Hauteur 27 mm., Longueur 3 mètres.
Les profilés de plafond en plaques de plâtre doivent être de haute qualité et résistants à la flexion. Les profilés de Knauf diffèrent par leur épaisseur de métal (0,6 mm) et sont considérés comme les meilleurs du marché. D'autres fabricants économisent de l'argent et fabriquent le profil en métal plus fin (0,4 mm), ce qui rend la conception plus douce. La résistance et la durabilité du plafond produit en dépendent.
Connecteurs
Pour obtenir une résistance et une rigidité uniformes du cadre, des extensions doivent être utilisées si la longueur du mur dépasse la longueur du profilé de plafond. Pour PNP (CD) 60 * 27, un insert spécial est utilisé, idéal pour la construction. Il renforce la frontière de connexion, la rendant forte.

Un connecteur à un niveau est utilisé pour connecter PNP (CD) et un cavalier en PP.Ici aussi, il est important de faire attention à l'épaisseur du métal afin que le matériau sélectionné ne soit pas mou.

Pour raccorder des profilés avec une croix dans un plan crabe appliqué. Ils sont également différents, mieux vaut choisir une épaisseur de 0,6 mm. Cette connexion a un loquet pour une fixation rapide. Pour plus de solidité, il est fixé avec des vis autotaraudeuses pour le métal.
Parmi les matériaux, vous aurez également besoin de:
Les matériaux sont achetés en fonction des mesures prises pour le dessin. Afin de ne pas vous tromper de quantité, vous devez utiliser calculateur en ligne.
Lors de l'achat de tous les matériaux, un achat de 10% de plus que le montant reçu est requis.
Travaux de plafond étape par étape
L'ensemble du processus de production d'un plafond en plaques de plâtre à un niveau est divisé en étapes. La résistance d'un plafond à un niveau en plaques de plâtre dépend de chaque action effectuée.

Travail préparatoire
Pour monter le cadre d'un plafond en plaques de plâtre, vous devez d'abord préparer la pièce et la surface. Les meubles sont retirés de la pièce et les éléments intérieurs qui interfèrent avec le processus d'installation sont supprimés. Après cela, des plaques de plâtre doivent être introduites dans la pièce pour adapter l'environnement - température, humidité.
Afin de préparer la surface, le projet de plafond doit être mis sous la forme appropriée:
- La surface est inspectée pour les fissures, les trous, le plâtre affaissé. L'ancien plâtre qui s'effrite est enlevé (après un certain temps, il peut tomber sur la cloison sèche et créer ainsi un excès de poids de la structure de la cloison sèche). Il est conseillé de sceller tous les trous.

plafond préparé pour l'installation d'une ossature métallique en profilés - S'il y a des traces de fleurs au plafond, la pièce est traitée avec des préparations et séchée.
Des travaux préparatoires doivent être effectués, car le champignon passe facilement à la plaque de plâtre, le plâtre tombé alourdira la structure de la plaque de plâtre, ce qui menace de déformation et de fissures.
Dessin. Prendre des mesures
Une fois le travail préparatoire effectué, vous devez prendre une feuille de papier, ou mieux encore 2. Sur la feuille, la surface du plafond avec des coins saillants (le cas échéant) est d'abord dessinée. Ensuite, avec un mètre, un ruban à mesurer mesure le périmètre du plafond. Les données obtenues pour chaque mur sont enregistrées sur le dessin.
Ne négligez pas les millimètres, faites des arrondis. Dans le processus de montage d'un cadre métallique, cela joue un rôle. La taille doit être écrite exactement, disons, 2,156 mètres.
Ensuite, vous devez mesurer la hauteur de chaque coin de la pièce. Vous devez trouver la position la plus basse du projet de plafond. Le dessin montre un point bas. Après cela, le balisage est marqué sur le papier, selon lequel le profil sera monté.
Il existe 2 types d'ossature pour un plafond à un niveau. Dans la première forme, les profilés de plafond sont montés - un cadre transversal. Le deuxième type comprend des cavaliers - une base en métal cellulaire.

Le cadre transversal implique l'installation d'un profilé de plafond en PP (CD) tous les 40 cm.Dans le même temps, les cavaliers, ainsi que les crabes, ne sont pas nécessaires.Les cloisons sèches dans ce cas sont appliquées perpendiculairement au profil du plafond.
Le cadre cellulaire est une caisse métallique de cellules du profilé de plafond. Ici le CD est installé tous les 60 cm, et les cavaliers tous les 50 cm.

Les emplacements du profilé de plafond sont marqués sur le dessin, en fonction du choix du type de base de cadre. Et il convient également de noter les endroits pour les suspensions. Fondamentalement, ils sont attachés le long de la ligne PP à une distance de 40 cm les uns des autres. La suspension ne doit pas coïncider avec l'intersection du sauteur et du profil. Il y aura un crabe connecteur.
Le dessin doit afficher avec précision les limites des joints de la feuille GKL. A partir de là, on verra plus en détail quelle distance entre les suspensions et les sauteurs, les crabes doivent être maintenus.
Le câblage électrique pour l'éclairage est dessiné sur la deuxième feuille de papier.En fonction des luminaires sélectionnés, il y aura un type de circuit électrique sélectionné (parallèle, connexion en série).

Marquage en surface
Le marquage est un processus responsable important. La résistance de la structure, le plan unique du plafond (dans un espace bidimensionnel) en dépendra.
Le marquage commence par tracer des lignes strictement horizontales le long du mur. Pour ce faire, prenez le plus petit point du plafond (il est marqué sur le dessin) et marquez ce point sur tout le périmètre. Pour obtenir une parfaite régularité, un niveau laser est utilisé.

Sinon, le niveau d'eau. Les lignes autour du périmètre sont faites avec un cordon de rembourrage. Si ce n'est pas là, alors un crayon et une règle (mètre).
De plus, des lignes, des points sont appliqués sur la surface rugueuse. La première ligne au plafond à partir du mur pour le profil de plafond est tracée à une distance de 0,25 m.Et ainsi de suite jusqu'au mur opposé. Les emplacements des suspensions sont marqués sur ces lignes. La distance entre les suspensions est de 40 à 60 cm, cela dépend du matériau à partir duquel cet élément est fabriqué. Si la suspension est fine et douce, elles doivent être réparées plus souvent.

Pour un cadre cellulaire, des marquages doivent être faits pour les cavaliers. Étant donné que le profil de plafond est situé à une distance de 60 cm l'un de l'autre, les cavaliers sont placés à la même distance les uns des autres. 25 cm du mur.
Il y a une nuance ici - les suspensions ne doivent pas tomber dans le point d'attache du crabe (la connexion des profils est en forme de croix).
Balisage pour les appareils d'éclairage
Lors du marquage des profils, vous devez immédiatement marquer l'emplacement des luminaires. Ceci est nécessaire pour que le câblage et les luminaires ne touchent pas les profilés métalliques, afin d'éviter, à l'avenir, un court-circuit dans le réseau électrique.

Le marquage au plafond est une étape importante du travail. Dans le processus de tracé des lignes, chaque détail est important. Dans ce cas, le dessin doit être à portée de main afin de connaître les mesures (étapes) entre les profils, les suspensions.
Installation d'un cadre de plafond à un niveau
Pour créer une base de cadre pour un plafond en plaques de plâtre, vous devez suivre l'algorithme d'actions. Idéalement, fixez d'abord les cintres, puis les profils de guidage.
Alors:
Premier pas. Pose d'un profilé guide plafond au plafond sous plaques de plâtre
Première chose le profilé de guidage au plafond (UD) est fixé. Pour ce faire, un ruban adhésif est collé à l'arrière du profil par l'arrière. Ensuite, il commence à l'appliquer au balisage.Il est nécessaire que la ligne tracée passe le long du bord du profil (du côté extérieur ou intérieur - dépend de la hauteur du cadre monté), mais pas au milieu du profil. À travers le PNP, des trous traversants sont faits pour les clous à cheville. Le premier trou doit être à 5-10 cm du bord.Chaque cheville suivante sera située à une distance de 25-40 cm.Les profils de guidage sont placés dans un "bout" les uns aux autres si la longueur de la pièce est supérieure à 3 mètres. Dans le coin, le profil est inséré dans un profil fixe et fixé avec un clou à cheville.

Deuxième étape. Attache de suspension.
Les suspensions sont fixées selon les marquages cales d'ancrage. Cet élément du cadre supporte la majeure partie de la charge de l'ensemble du plafond. Pour une fixation fiable, il est nécessaire de faire des trous d'un diamètre de 6 mm et d'une profondeur de 40 mm selon les marques sur la base rugueuse. en outre, une suspension est appliquée à ces trous. Des cales de cheville sont insérées dans les oreilles de l'élément de cadre et bouchées.

Troisième étape. Comment fixer un profilé de plafond en plaques de plâtre au plafond
Le profilé de plafond PP (CD) pour cloison sèche est inséré dans le guide de 2 côtés et fixé avec de petites vis autotaraudeuses (graines). Idéalement, utilisez un cutter.
Le pas du profil pour cloison sèche au plafond est indiqué sur le marquage de la base rugueuse est de 60 cm.Ensuite, vous devez tirer le fil à travers tout le plan en cours de formation et, en l'utilisant, fixer le profil dans des cintres. Les bords des éléments sont pliés dans des directions différentes.

En plus du fil, une règle est utilisée. Il montrera où la déviation s'est produite ou le profil a été tiré vers le haut jusqu'à la base rugueuse.
Quatrième étape. Cavaliers
Les cavaliers sont découpés dans un profil PP (alias CD) d'une taille telle qu'ils s'adaptent exactement aux endroits marqués. Ils sont fixés aux profilés de plafond avec des crabes.
Le cadre du profilé pour cloison sèche au plafond est assemblé. La dernière étape est un contrôle de la régularité du plan créé, de la rigidité de la structure. Une règle est mieux adaptée pour vérifier la régularité. Ils vérifient un seul avion dans toutes les directions. La rigidité de la structure est vérifiée par « échelonnement » des éléments. Toutes les parties du cadre métallique doivent être solidement fixées. Pour que rien ne grince nulle part, ne chancelle pas.
Câblage électrique
Les fils posés doivent être dans l'ondulation. Ceci est nécessaire pour éviter tout contact avec les éléments métalliques du profilé. Sur le lieu d'installation de la lampe, le fil doit être laissé libre de 15 à 20 cm Après avoir posé tous les fils, isolez les fils. Et vous ne pouvez pas connecter l'alimentation tant que tous les travaux d'installation ne sont pas terminés.
Cinquième étape. Installation de plaques de plâtre
Les plaques de plâtre commencent à être posées sur le côté, en fonction du type de base du cadre. La première plaque de plâtre est fixée dans le coin sans découpe. La fixation des cloisons sèches au plafond s'effectue sur des profilés vis autotaraudeuses (la longueur de la vis autotaraudeuse dépend de l'épaisseur de la plaque de plâtre). Il faut reculer de 2 cm du bord de la tôle et visser la vis à petite vitesse avec un tournevis. Le pas entre les attaches peut atteindre 15 cm. Cela ne vaut pas la peine de visser la fixation trop profondément. Cela endommagera le GCR.

Les feuilles doivent être fixées en damier afin que les bordures horizontales ne correspondent pas. Ainsi, un autre facteur de résistance structurelle est atteint. Si nécessaire, une plaque de plâtre est coupée.
Un chanfrein est créé sur la face avant coupée. Une vis autotaraudeuse d'un chanfrein fait maison est vissée à 5 cm du bord. Sur le lieu d'installation des lampes dans les cloisons sèches, un trou d'un diamètre égal à la lampe (spot) est fait à l'avance. La base du cadre est gainée de plaques de plâtre.
Dernière étape. Finition
Tous les joints sur la surface des cloisons sèches doivent être recouverts bande de renforcement. Mais, d'abord, la surface est apprêtée. Les joints de cloisons sèches sont apprêtés avec une attention particulière, sans lacunes.
Le renforcement se fait avec un ruban adhésif spécial et du mastic. Le même mélange de mastic ferme toutes les attaches. Après cela, la surface est complètement mastic pour une finition ultérieure.
L'installation d'un cadre métallique pour un plafond d'un niveau de GKL n'est pas difficile. Le facteur principal est les instructions étape par étape à suivre, ainsi que la familiarisation avec toutes les règles et nuances afin d'éviter les erreurs et la déformation de la structure du plafond à l'avenir.











